产品展示
您的当前位置:网站首页 > 产品展示
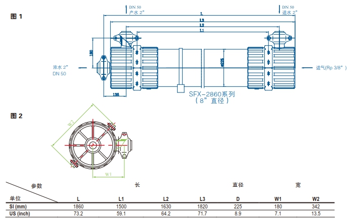
陶氏超滤膜SFP-2860
相关推荐
-
金正——75bar膜柱
2019-11-04
-
美能帘式MBR膜
2019-11-04
-
美国海德能CPA3-LD
2019-10-21
-
增强型低污染反渗透膜--PROC10
2019-10-21
-
陶氏反渗透膜BW30-400IG
2019-10-21
-
陶氏抗污染膜BW30FR-400/34
2019-10-21











